Заключване на вратата на промишлени шкафовее ключовият защитен компонент на разпределителен шкаф, комуникационен шкаф, контролна кутия и друго оборудване, което е пряко свързано с безопасността на вътрешните електрически компоненти и стабилната работа на системата.
За да отговори на разнообразните изисквания за време за доставка и спецификации за различни проекти, нашата компания винаги разполага с пет вида често използвани брави на склад --Заключване с дълга лента, Заключване на панела, Ключалка за управление на пръта, Заключване на дръжката,Въртяща се ключалка с език. В същото време поддържаме всяка нестандартна брава, персонализирана според чертежи или мостри, която е напълно подходяща за всички видове метални разпределителни кутии.
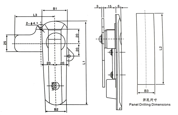
Плоската брава е един от най-разпространените видове промишлени брави за врати на шкафове, едновременно красиви и лесни за поддръжка. Нашата компания пусна равнинни брави от серии AB301, AB302, AB303, AB402, AB403, в структурната здравина, производителността на защитата и усещането за работа на диференцирания дизайн, може да отговори на различните спецификации на разпределителната кутия, изискванията за монтаж на контролния шкаф.
| Размери | Номер на продукта | |||||||
| L1 | L2 | L3 | B1 | B2 | Сиво хромирано покритие | Сива спрей боя | Черно прахово боядисано | Тегло (g) |
| 147 | 117 | 72 | 33 | 26.5 | AB301-1-1.2 | AB301-1-1.8 | AB301 | 370 |
| 120.5 | 95.5 | 65 | 30 | 23.5 | AB301-2-1.2 | AB301-2-1.8 | AB302 | 290 |
| 87.5 | 62.5 | 65 | 28.5 | 23.5 | AB301-3-1.2 | AB301-3-1.8 | AB303 | 215 |
Основен материал: цинкова сплав.
Повърхностна обработка: ярък хром, мат, черен.
Функция и употреба: Осъществете ляво и дясно отваряне на вратата, лесна за използване, с уплътнителна и водоустойчива функция.
Основен материал: цинкова сплав.
Повърхностна обработка: ярък хром, мат, черен.
Функция и употреба: Осъществете ляво и дясно отваряне на вратата, лесна за използване, с уплътнителна и водоустойчива функция.
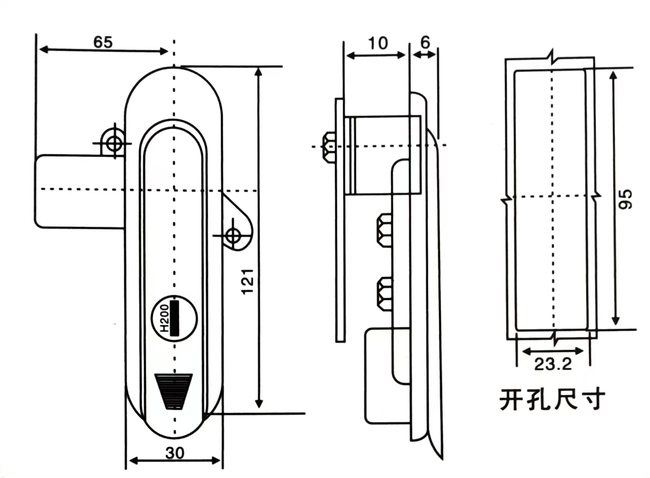
Материал: тяло на ключалката от цинкова сплав, въртящ се вал, болт от галванизирана стомана, притискаща плоча.
Повърхностна обработка: сребристосив нано спрей.
Описание на структурата: Завъртете на 90 градуса, за да отворите или заключите.
| МОДЕЛ | L1 | L2 | L3 | B1 | B2 | B3 |
| НОВ AB402-A | 123 | 95.5 | 65 | 36.5 | 30 | 23.5 |
| НОВ AB403-A | 91 | 62.5 | 65 | 33 | 28.5 | 23.5 |
| НОВ AB401-A | 151 | 117 | 72 | 36 | 30 | 26.5 |
